

SCAN 83-2 シルバートリム
価格¥847,000(税込)
応相談。お問合せください。

商品説明
最大熱出力 6,020kcal/h:小型ストーブ!!
【家族や仲間が自然と集まってくる自分らしい空間にぴったりの薪ストーブ】
デンマークの有名な工業デザイナー、Harrit&Sørensenによるデザイン。
機能とデザインを追求する2人ならではのシンプルなデザインが特長です。ディテールにもこだわっています。
カーブしたガラス扉は炎を美しく見せるだけでなく、ゆっくりと自動で閉まる機能性も併せ持っています。
また、ハンドルは全体のデザインと調和する位置で、熱くならないような場所を考えて設計しました。
燃焼室内のベース(ボトムとグレート)は鋳物製で耐久性がアップ。
オプションのターンプレートを取りつければ360度回転し、部屋のどこからでも美しい炎を眺められます。
※「らくらくプラン」は、 別途(煙突+施工)費用がかかります。
※「セルフセット」は、別途(煙突)費用がかかります。
全ての薪ストーブに「梱包送料」「組立工料」が別途かかります。
商品詳細
品番
SCAN 85-2 ST
最大熱出力(kcal/時)
6,020kcal/h
暖房方式
輻射熱式
対流熱式
最大暖房面積
30.25坪(100㎡)
最大薪長さ
260mm(横置き)
350mm(縦置き)
燃焼効率
81.0%
燃焼方式
クリーンバーン
煙突径
150mm
煙突接続方向
上・後
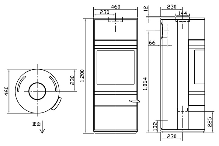
幅×奥行×高さ
W 460 × D 460 × H 1200 mm
重 さ
117kg
外気導入
標準対応
オプション
ターンプレート
¥132,000-(税込)













