

SCAN 68-11
シースルー ブラックトリム
価格¥847,000(税込)
応相談。お問合せください。
※受注発注品。ご注文から約4ヶ月で納品となります。

商品説明
最大熱出力 6,880kcal/h:小型ストーブ!!
【個性的な楕円のフォルム】
直線と曲線が織りなすフォルム、湾曲したガラス扉、印象的なアルミとスティールのコンビネーション。
そして目を楽しませるのは、全体を包み込む楕円形のライン。
大きなガラス扉に映る美しい炎が、あなたをリラックスへと導きます。
SCAN 68は、ベストセラーとなったSCAN 58の後継モデル。
デザイン大国デンマークの代表的なモデルとなったSCAN 58を、より現代的な感覚の製品に進化させることで、新たな魅力を最大限に引き出すことができました。
SCAN 68のデザインは、デンマークを代表するデザイナーのHarrit&Sørensenが手がけ、インテリア性の高いストーブになりました。
レッグのバリエーションは3タイプで、最もシンプルに壁掛けにすることも可能に。
縁取りもブラックとシルバーからお選びいただけます。
薪ストーブの可能性が広がるSCAN 68で、あなたのライフスタイルも広がるはずです。
※「らくらくプラン」は、 別途(煙突+施工)費用がかかります。
※「セルフセット」は、別途(煙突)費用がかかります。
全ての薪ストーブに「梱包送料」「組立工料」が別途かかります。
商品詳細
品番
SCAN 68-11 STBT
最大熱出力(kcal/時)
6,880kcal/h
暖房方式
輻射熱式
対流熱式
最大暖房面積
37.81坪(125㎡)
最大薪長さ
250mm
燃焼効率
80%
燃焼方式
クリーンバーン
煙突径
150mm
煙突接続方向
上・後
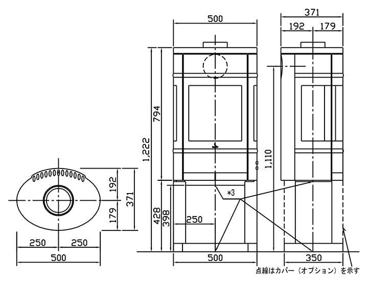
幅×奥行×高さ
W 500 × D 371 × H 1222 mm
重 さ
107kg
外気導入
標準対応
オプション
シースルー用フェイスドア ¥63,800-(税込)
※受注発注品。ご注文から約4ヶ月で納品となります。













