

SCAN 66
価格¥1,012,000(税込)
応相談。お問合せください。
※受注発注品。ご注文から約4ヶ月で納品となります。

商品説明
最大熱出力 6,880kcal/h:小型ストーブ!!
【魅力的なフォルムと革新的なディテール】
革新的な形状で炎を楽しむSCAN 66は、スタイリッシュなデザインと機能性を融合させた新しいデンマークストーブ。
特徴的なアーチ状のベースは薪を置くストレージ。
「薪もデザインの一部」として、新しいデザインの中にも遊び心が見えるモデルです。
薪でベースが傷つかないように黒色のスチールラインが2本入っており、これは薪の最大量を制限するインジケーターとしても機能しています。
焼室内はガラス製のログリテイナーがあり、最大限に炎を楽しむことと、安心してお使いいただける機能性もプラス。
さらに、ハンドル、空気調整レバーもガラスでできており、細部にまで高いデザイン性を見ることができます
※「らくらくプラン」は、 別途(煙突+施工)費用がかかります。
※「セルフセット」は、別途(煙突)費用がかかります。
全ての薪ストーブに「梱包送料」「組立工料」が別途かかります。
商品詳細
品番
SCAN 66-5 SS
最大熱出力(kcal/時)
6,880kcal/h
暖房方式
輻射熱式
対流熱式
最大暖房面積
30.25坪(100㎡)
最大薪長さ
330mm
燃焼効率
79%
燃焼方式
クリーンバーン
煙突径
150mm
煙突接続方向
上・後
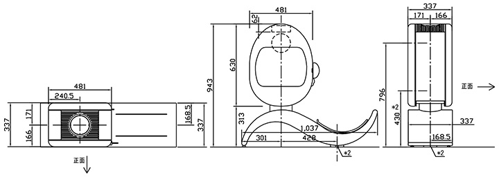
幅×奥行×高さ
W 1037 × D 337 × H 943 mm
重 さ
97.5kg
外気導入
標準対応















